山東山源重工機械有限公司
山東山源重工機械電話
産 品 分 類
您當前的位置:首頁 > 巷道修複機

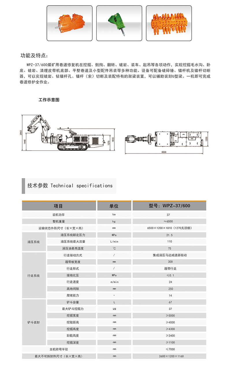
巷道修複機

時間:2021-01-21 09:53:11  來源:  作者:

山東山源重工機械有限公司   魯ICP備20007977号-2    網址:m.em-wine.cn
聯系手機:15153095389 / 13561361566   聯系地址:山東省菏澤市郓城縣經濟開發區
山東山源重工機械有限公司專業生産:扒渣機,防爆扒渣機,煤礦用扒渣機,小型扒渣機,頂管扒渣機,電動挖掘機,防爆挖掘機,旋轉臂挖掘機,煤礦用液壓挖掘機,煤礦用挖掘機,銑挖機,礦用運輸車,地下自卸車,卸煤機,火車卸煤機,巷道修複機